आमची आरसीएस मालिका, व्यावसायिक डिझाइन आणि तांत्रिक निर्मितीद्वारे, पिस्टन रॉड सील टर्निंग सीलच्या विविध गरजा पूर्ण करते, जे सामान्य परिस्थितीपासून अत्यंत कामकाजाच्या परिस्थितीत अचूक उपाय प्रदान करते.
स्ट्रक्चरल डिझाइनच्या बाबतीत, मूलभूत मॉडेल स्थिरता आणि वापर सुलभतेवर केंद्रित आहेत: आरसीएस 101/103 पूर्व-घट्ट ओ-रिंग्ज किंवा सहाय्यक ओठांद्वारे, विशेषत: लहान स्ट्रोकसाठी एम्बेडिंग स्थिरता वाढवते; आरसीएस 102/104 आर/117 आर सामग्री आणि खोबणी अनुकूलता (जसे की मानक ग्रूव्ह उच्च-दाब परिदृश्यांसाठी आरसीएस 102 आर) अनुकूलित करून उच्च दबावांचे समर्थन करते. वायवीय प्रणालींसाठी, आरसीएस 105/205 वंगण तेल चित्रपट राखण्यासाठी आणि वंगण/वंगण नसलेल्या वातावरणाशी जुळवून घेण्यासाठी एक विशेष ओठ डिझाइन स्वीकारते.
रुईचेन सील देखील सामग्री आणि कार्यात्मक नावीन्यपूर्णतेवर लक्ष केंद्रित करतात. आरसीएस ११8/११//१२4-१२ Success मॉडेल पॉलीटेट्राफ्लोरोइथिलीन (पीटीएफई) किंवा पॉलीयुरेथेनचा मुख्य शरीर म्हणून वापर करतात, दबाव संतुलित करण्यासाठी, कमी घर्षण, कोरडे-विरोधी पोशाख आणि गंज प्रतिरोध साध्य करण्यासाठी, दबाव संतुलित करण्यासाठी, स्वच्छता आणि अन्न भरण्याची उपकरणे स्वच्छता आणि उच्च तापमान प्रतिकार करण्याची आवश्यकता पूर्ण करण्यासाठी. आरसीएस 129 आरसीएस 101 सह सीलिंग सिस्टम तयार करू शकते, जे चालण्याचे यंत्र आणि जड हायड्रॉलिक उपकरणांसाठी योग्य आहे; आरसीएस 126-128 असममित व्ही-पीस डिझाइनद्वारे कमी-दाब सीलिंगला अनुकूलित करते आणि फार्मास्युटिकल आणि रासायनिक उद्योगासाठी सानुकूलित आहे.
जटिल कामकाजाच्या परिस्थितीसाठी, आरसीएस 1220/138 आणि इतर डबल-अॅक्टिंग सीलमध्ये एकात्मिक समर्थन रिंग डिझाइन आहे, जे उच्च दाब आणि विकृतीस प्रतिरोधक आहे आणि कॉम्पॅक्ट ग्रूव्ह्समध्ये रुपांतर करते; आरसीएस 131 हा एक ओ-रिंग पर्याय आहे, जो बाहेर काढण्यासाठी आणि रासायनिक प्रतिकारांना प्रतिरोधक आहे आणि अन्न आणि औषधी उद्योगासाठी पसंतीचा पर्याय बनला आहे. आणि आरसीएस 116/116 डाउनटाइम खर्च कमी करण्यासाठी फिक्स्चर इन्स्टॉलेशनद्वारे जुन्या सिलेंडर्सची द्रुतपणे दुरुस्ती करू शकते.
आरसीएस मालिका ग्राहकांना उच्च दाब, उच्च गती, संक्षारक मीडिया आणि विशेष उद्योग आव्हानांचा सामना करण्यास मदत करते आणि उपकरणांची विश्वसनीयता आणि जीवन सुधारण्यास मदत करते.
उत्पादन वैशिष्ट्ये आणि अनुप्रयोग:
पिस्टन रॉड सील टर्निंग सील हायड्रॉलिक सिलेंडर्स आणि सिलेंडर्स, अभियांत्रिकी वाहने, कृषी यंत्रणा, क्रेन आणि मरीन हायड्रॉलिक उपकरणे, मशीन टूल्ससाठी योग्य आहेत.
जड औद्योगिक यंत्रणा, प्रेस, रासायनिक उद्योग, वेगवान तेल सिलेंडर्स आणि पोझिशनिंग मशीनरी फूड इंडस्ट्री, फार्मास्युटिकल इंडस्ट्रीमध्ये वापरली जाते.
फायदे
पिस्टन रॉड सील टर्निंग सील खोबणीत विस्तृत तापमान श्रेणी, उत्कृष्ट स्थिर आणि डायनॅमिक सीलिंग कार्यक्षमता आणि डायनॅमिक परिस्थितीत मजबूत अवशिष्ट तेल पुनर्प्राप्तीची क्षमता असलेले स्थिरपणे एम्बेड केलेले आहेत. कमी घर्षण, रेंगाळलेले नाही, उच्च पोशाख प्रतिकार, कमी स्थिर आणि घर्षण मूल्ये, केवळ चांगली अँटी-एक्सट्र्यूजन कामगिरी, चांगली थर्मल चालकता आणि विस्तृत तापमान श्रेणी.
जुन्या पिस्टन रॉड्ससाठी योग्य, ओपन टाइप रांगणे स्थापित करणे सोपे आहे.

आरसीएस 101
ऑर्डर आकार
Φd ...... बाह्य व्यास
Φd ...... अंतर्गत व्यास
एल ...... खोबणीची रुंदी
| पृष्ठभाग समाप्त | आर टीमॅक्स (μ मी) | आरए (μ मी) |
| स्लाइडिंग पृष्ठभाग जुळणारे रबर/पॉलीयुरेथेन सील स्लाइडिंग पृष्ठभाग जुळणारे पीटीएफई सील | .2.5 ≤2 | ≤0.1-0.5 ≤0.05-0.3 |
| खोबणी तळाशी खोबणीची बाजू | ≤6.3 ≤15 | .1.6 ≤3 |
| टीपी प्रोफाइल समर्थन लांबी गुणोत्तर | 50%-95% |
|
| सहिष्णुता | |
| .डी | एफ 8 |
| .डी | एच 10 |
ऑर्डर उदाहरण
मॉडेल: आरसीएस 101
खोबणी आकार: 100x115x10
साहित्य: आरसी-पीयू-एच

सील प्रकार: आरसीएस 101, आरसीएस 102, आरसीएस 103, आरसीएस 104, आरसीएस 205, आरसीएस 106, आरसीएस 107, आरसीएस 108, आरसीएस 117, आरसीएस 121
मुख्य अनुप्रयोग: हायड्रॉलिक आणि वायवीय सिलेंडर्ससाठी योग्य
फायदे: खोबणी, विस्तृत तापमान श्रेणी, उत्कृष्ट स्थिर आणि डायनॅमिक सीलिंग कार्यक्षमता, डायनॅमिक परिस्थितीत मजबूत अवशिष्ट तेल काढण्याची क्षमता.
साहित्य: पॉलीयुरेथेन, रबर
| सील ग्रूव्ह उदाहरणे | खाली मानक खोबणीचे परिमाण आहेत (आकार श्रेणीतील कोणत्याही आकाराचे धूळ सील तयार केले जाऊ शकतात) | ||||||||
![]() |
![]() |
.डी | .डी | L | सी/एस | जास्तीत जास्त एक्सट्र्यूजन अंतर | |||
| 100 बार | 250 बार | 400 बार | |||||||
| 5-24.9 | +डी+8 | 6.3 | 4 | 0.50 | 0.35 | 0.25 | |||
| 25-49.9 | +डी+10 | 8 | 5 | 0.50 | 0.35 | 0.25 | |||
| 50-149.9 | +डी+15 | 10 | 7.5 | 0.50 | 0.35 | 0.25 | |||
| 150-229.9 | +डी+20 | 14 | 10 | 0.50 | 0.35 | 0.25 | |||
| 300-499.9 | +डी+25 | 17 | 12.5 | 0.50 | 0.35 | 0.25 | |||
| 500-699.9 | +डी+30 | 25 | 15 | 0.50 | 0.35 | 0.25 | |||
| > 700 | +डी+40 | 32 | 20 | 0.60 | 0.40 | 0.30 | |||
| > 1000 | +डी+50 | 40 | 25 | 0.70 | 0.50 | 0.40 | |||

आरसीएस 109
ऑर्डर आकार
Φd ...... बाह्य व्यास
Φd ...... अंतर्गत व्यास
एल ...... खोबणीची रुंदी
|
पृष्ठभाग समाप्त |
आर टीमॅक्स (μ मी) |
आरए (μ मी) |
|
स्लाइडिंग पृष्ठभाग जुळणारे रबर/पॉलीयुरेथेन सील स्लाइडिंग पृष्ठभाग जुळणारे पीटीएफई सील |
.2.5
≤2 |
≤0.1-0.5
≤0.05-0.3 |
|
खोबणी तळाशी खोबणीची बाजू |
≤6.3 ≤15 |
.1.6 ≤3 |
|
टीपी प्रोफाइल समर्थन लांबी गुणोत्तर |
50%-95% |
|
|
सहिष्णुता |
|
|
.डी |
एफ 8 |
|
.डी |
एच 10 |
ऑर्डर उदाहरण
मॉडेल: आरसीएस 109
खोबणी आकार: 100x115.1x6.3
साहित्य: पीटीएफई 3+एनबीआर

सील प्रकार: आरसीएस 109
मुख्य अनुप्रयोगः अभियांत्रिकी वाहने, कृषी यंत्रणा, क्रेन, सागरी हायड्रॉलिक उपकरणे, मशीन टूल्स.
फायदे: कमी घर्षण, रांगणे नाही, उच्च पोशाख प्रतिरोध, केवळ चांगली अँटी-एक्सट्र्यूजन कामगिरी, चांगली थर्मल चालकता, स्थिर एम्बेडिंग खोबणी, विस्तृत तापमान श्रेणी.
साहित्य: टेट्राफ्लोरोएथिलीन, नायट्रिल रबर किंवा फ्लोरिन रबर
|
सील ग्रूव्ह उदाहरणे |
खाली मानक खोबणीचे परिमाण आहेत (आकार श्रेणीतील कोणत्याही आकाराचे धूळ सील तयार केले जाऊ शकतात) |
||||||||
|
|
|
.डी |
.डी |
L |
सी/एस |
जास्तीत जास्त एक्सट्र्यूजन अंतर |
|||
|
100 बार |
200 बार |
400 बार |
|||||||
|
5-7.9 |
+डी+4.9 |
2.2 |
2.45 |
0.30 |
0.20 |
0.15 |
|||
|
8-18.9 |
+डी+7.3 |
3.2 |
3.64 |
0.40 |
0.25 |
0.15 |
|||
|
19-37.9 |
+d+10.7 |
4.2 |
5.35 |
0.40 |
0.25 |
0.20 |
|||
|
38-199.9 |
+डी+15.1 |
6.3 |
7.55 |
0.50 |
0.30 |
0.20 |
|||
|
200-255.9 |
+डी+20.5 |
8.1 |
10.25 |
0.60 |
0.35 |
0.25 |
|||
|
256-649.9 |
+डी+24 |
8.1 |
12 |
0.60 |
0.35 |
0.25 |
|||
|
650-1000 |
+डी+27.3 |
9.5 |
13.65 |
0.70 |
0.50 |
0.30 |
|||
|
> 1000 |
+डी+38 |
13.8 |
19 |
1.00 |
0.70 |
0.50 |
|||

RCS110-112
ऑर्डर आकार
Φd ...... बाह्य व्यास
Φd ...... अंतर्गत व्यास
एल ...... खोबणीची रुंदी
|
पृष्ठभाग समाप्त |
आर टीमॅक्स (μ मी) |
आरए (μ मी) |
|
स्लाइडिंग पृष्ठभाग जुळणारे रबर/पॉलीयुरेथेन सील स्लाइडिंग पृष्ठभाग जुळणारे पीटीएफई सील |
.2.5
≤2 |
≤0.1-0.5
≤0.05-0.3 |
|
खोबणी तळाशी खोबणीची बाजू |
≤6.3 ≤15 |
.1.6 ≤3 |
|
टीपी प्रोफाइल समर्थन लांबी गुणोत्तर |
50%-95% |
|
|
सहिष्णुता |
|
|
.डी |
एफ 8 |
|
.डी |
एच 10 |
ऑर्डर उदाहरण
मॉडेल: आरसीएस 1010-112
खोबणी आकार: 100x120x32
साहित्य: आरसी-पीयू-एच+पोम

सील प्रकार: आरसीएस 1010-112, आरसीएस 126-128
मुख्य अनुप्रयोग: जड औद्योगिक यंत्रणेसाठी, प्रेस
फायदे: जुन्या पिस्टन रॉड्ससाठी योग्य, ओपन प्रकार क्रिपर स्थापित करणे सोपे आहे
साहित्य: पॉलीयुरेथेन, पॉलीऑक्सिमेथिलीन, नायलॉन
|
सील ग्रूव्ह उदाहरणे |
खाली मानक खोबणीचे परिमाण आहेत (आकार श्रेणीतील कोणत्याही आकाराचे धूळ सील तयार केले जाऊ शकतात) |
|||||
|
|
|
.डी |
.डी |
L |
सी/एस |
|
|
10-39.9 |
+डी+10 |
16 |
5 |
|||
|
40-74.9 |
+डी+15 |
25 |
7.5 |
|||
|
75-149.9 |
+डी+20 |
32 |
10 |
|||
|
150-199.9 |
+डी+25 |
40 |
12.5 |
|||
|
200-299.9 |
+डी+30 |
50 |
15 |
|||
|
300-599.9 |
+डी+40 |
63 |
20 |
|||
|
> 600 |
+डी+40 |
80 |
20 |
|||
|
> 1000 |
+डी+50 |
100 |
25 |
|||

आरसीएस 119
ऑर्डर आकार
Φd ...... बाह्य व्यास
Φd ...... अंतर्गत व्यास
एल ...... खोबणीची रुंदी
|
पृष्ठभाग समाप्त |
आर टीमॅक्स (μ मी) |
आरए (μ मी) |
|
स्लाइडिंग पृष्ठभाग जुळणारे रबर/पॉलीयुरेथेन सील स्लाइडिंग पृष्ठभाग जुळणारे पीटीएफई सील |
.2.5
≤2 |
≤0.1-0.5
≤0.05-0.3 |
|
खोबणी तळाशी खोबणीची बाजू |
≤6.3 ≤15 |
.1.6 ≤3 |
|
टीपी प्रोफाइल समर्थन लांबी गुणोत्तर |
50%-95% |
|
|
सहिष्णुता |
|
|
.डी |
एफ 8 |
|
.डी |
एच 10 |
ऑर्डर उदाहरण
मॉडेल: आरसीएस 119
खोबणी आकार: 100x109.4x7.1
साहित्य: पीटीएफई 2+एनबीआर

सील प्रकार: आरसीएस 119
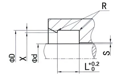
मुख्य अनुप्रयोग: रासायनिक उद्योग, रॅपिड सिलेंडर्स आणि पोझिशनिंग मशीनरी. अन्न उद्योग, फार्मास्युटिकल उद्योग.
फायदे: उच्च तापमान आणि विविध रासायनिक माध्यमांना प्रतिरोधक, कमी घर्षण गुणांक, रांगणे नाही, चांगले कोरडे घर्षण वैशिष्ट्ये, कमी स्थिर आणि घर्षण मूल्ये.
साहित्य: पीटीएफई+लीफ स्प्रिंग
|
सील ग्रूव्ह उदाहरणे |
खाली मानक खोबणीचे परिमाण आहेत (आकार श्रेणीतील कोणत्याही आकाराचे धूळ सील तयार केले जाऊ शकतात) |
|||||||||
|
|
|
.डी |
.डी |
L |
R |
X |
जास्तीत जास्त एक्सट्र्यूजन अंतर |
|||
|
100 बार |
200 बार |
400 बार |
||||||||
|
10-19.9 |
डी+4.5 |
3.6 |
0.4 |
0.6 |
0.15 |
0.10 |
0.07 |
|||
|
20-39.9 |
डी+6.2 |
4.8 |
0.6 |
0.7 |
0.20 |
0.15 |
0.08 |
|||
|
40-119.9 |
डी+9.4 |
7.1 |
0.8 |
0.8 |
0.25 |
0.20 |
0.10 |
|||
|
120-1000 |
डी+12.2 |
9.5 |
0.8 |
0.9 |
0.30 |
0.25 |
0.12 |
|||
|
> 1000 |
डी+19.0 |
15 |
0.8 |
0.9 |
0.50 |
0.40 |
0.20 |
|||



















































































पत्ता
क्रमांक 1 रुईचेन रोड, डोंगलीउटिंग इंडस्ट्रियल पार्क, चेंगयांग जिल्हा, किंगदाओ शहर, शेंडोंग प्रांत, चीन
दूरध्वनी