आम्ही मानक सामान्य-हेतू आणि उच्च-दबाव विशेष उत्पादने व्यापून टाकणार्या स्थिर सील सोल्यूशन्सची संपूर्ण श्रेणी प्रदान करतो. आरसीएफएल 106/102 आणि आरसीके 126 ही सोपी रचना आणि विस्तृत अनुप्रयोगासह मूलभूत मॉडेल आहेत; आरसीएस 1330/131 आणि आरसीएफएल 108 ग्रूव्ह एम्बेडिंगची स्थिरता सुनिश्चित करण्यासाठी एक्सट्रूझन बाह्य व्यास स्थापना डिझाइनचा अवलंब करतात; आरसीके 1220/127 आणि इतर तत्सम मालिका उत्पादने एक्सट्रूझन अंतर्गत व्यासाच्या स्थापनेद्वारे समान विश्वसनीयता प्राप्त करतात.
फ्लॅंज सीलिंगच्या गरजेच्या प्रतिसादात, आरसीएफ 1110 आणि आरसीआर 118 दोन्ही दिशानिर्देशांमध्ये दबाव आणू शकतात आणि ऑर्डर देताना दबाव दिशा दर्शविली जाणे आवश्यक आहे. उत्पादनाची ओळ उच्च-दाब कामकाजाच्या परिस्थितीत कमी-दाब व्यापते आणि सामग्री पोशाख-प्रतिरोधक आणि गंज-प्रतिरोधक आहे आणि हायड्रॉलिक सिस्टम, पाइपलाइन कनेक्शन आणि औद्योगिक उपकरणे सीलिंगमध्ये मोठ्या प्रमाणात वापरली जाते.
उत्पादन वैशिष्ट्ये आणि अनुप्रयोग:
अनुप्रयोग: सामान्य हेतू, आयडी सील, ओडी सील, अक्षीय सील
ओ-रिंग वैशिष्ट्ये आणि खोबणी
ऑर्डर आकार
1d1 ...... अंतर्गत व्यास
2 डी 2 ...... विभाग व्यास
ऑर्डर उदाहरण
मॉडेल: आरसीएफएल 106
अंतर्गत व्यासाचा विभाग व्यास: 14x1.8
साहित्य: एनबीआर
अर्ज
आतून दबाव: ओ-रिंग बाहेरील व्यासापासून संकुचित केले जाते
बाहेरून दबाव: ओ-रिंग आतून व्यासापासून संकुचित केले जाते
ओ-रिंग्जमध्ये अचूक उत्पादन सहिष्णुता असते. अनुमत सहिष्णुता डीआयएन 37771 आणि आयएसओ 3601/1 (क्रॉस-सेक्शन व्यास 7 मिमी पर्यंत, अंतर्गत व्यास 670 मिमी पर्यंत) नुसार प्रमाणित केली गेली आहे. संबंधित सहनशीलता खालील सारणीमध्ये दर्शविली आहेत.
| विभाग सहिष्णुता | ||||||||
| विभाग | 1.80 | 2.65 | 3.55 | 5.30 | 7.00 | 8.4 | 10.00 | 12.00 |
| सहिष्णुता | ± 0.08 | ± 0.09 | ± 0.10 | ± 0.13 | ± 0.15 | ± 0.18 | ± 0.21 | ± 0.25 |
| अंतर्गत व्यास सहिष्णुता | ||||||||||
| अंतर्गत व्यास | 1.80 ~ 6.30 | 6.70 ~ 11.20 | 11.8 ~ 21.2 | 22.4 ~ 40.0 | 41.2 ~ 80.0 | 82.5 ~ 160 | 165 ~ 300 | 300 ~ 650 | 670 ~ 910 | 910 ~ 1180 |
| सहिष्णुता | ± 0.13 | ± 0.16 | ± 0.19 | ± 0.95 | ± 0.86 | ± 0.78 | ± 0.74 | ± 0.67 | ± 0.60 | ± 0.65 |
| संबंधित अंतर्गत व्यासाची टक्केवारी % | ||||||||||
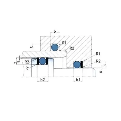
खोबणी आकार
![]() |
||||||||||
| विभाग डी 2 | खोबणीची खोली टी | ग्रूव्ह रूंदी युनिट: मिमी (+0.20) | त्रिज्या आर 1 मिमी | |||||||
| मिमी | स्थिर | डायनॅमिक (हायड्रॉलिक) | गतिशील (वायवीय) | बी राखीव रिंग नाही | बी 1 1 रिंग रिंग | बी 2 2 रिटिंग रिंग्ज | ||||
| 1.00 | 0.65 | ± 0.05 | 0.75 | ± 0.02 | 0.80 | ± 0.02 | 1.4 | 2.4 | 3.4 | 0.2-0.4 |
| 1.50 | 1.05 | 1.20 | 1.25 | 2.0 | 3.0 | 4.0 | 0.2-0.4 | |||
| 1.80 | 1.30 | 1.45 | 1.55 | 2.4 | 3.4 | 4.4 | 0.2-0.4 | |||
| 2.00 | 1.50 | 1.65 | 1.75 | 2.7 | 3.7 | 4.7 | 0.2-0.4 | |||
| 2.50 | 1.95 | 2.10 | 2.20 | 3.4 | 4.9 | 6.4 | 0.2-0.4 | |||
| 2.65 | 2.05 | 2.25 | 2.35 | 3.6 | 5.1 | 6.6 | 0.2-0.4 | |||
| 3.00 | 2.40 | 2.55 | 2.70 | 4.2 | 5.7 | 7.2 | 0.2-0.4 | |||
| 3.50 | 2.80 | ± 0.07 | 3.05 | ± 0.05 | 3.20 | ± 0.05 | 4.8 | 5.3 | 7.8 | 0.3-0.6 |
| 3.55 | 2.85 | 3.10 | 3.25 | 4.8 | 6.3 | 7.8 | 0.3-0.6 | |||
| 4.00 | 3.25 | 3.50 | 3.65 | 5.4 | 6.9 | 8.4 | 0.3-0.6 | |||
| 5.00 | 4.15 | ± 0.10 | 4.45 | 4.65 | 6.8 | 8.8 | 10.8 | 0.3-0.6 | ||
| 5.30 | 4.40 | 4.70 | 4.90 | 7.2 | 9.3 | 11.2 | 0.6-1.0 | |||
| 7.00 | 5.85 | 6.25 | 6.55 | 9.6 | 12.1 | 14.6 | 0.6-1.0 | |||
| 8.40 | 7.10 | 7.50 | 7.90 | 12.9 | 13.4 | 15.6 | 0.6-1.0 | |||











पत्ता
क्रमांक 1 रुईचेन रोड, डोंगलियटिंग इंडस्ट्रियल पार्क, चेंगयांग जिल्हा, किंगडाओ सिटी, शेंडोंग प्रांत, चीन
दूरध्वनी