आमच्या उच्च दाब सीलिंग मार्गदर्शक घटकामध्ये विविध प्रकारचे प्रकार आहेत.
समर्थन रिंग हायड्रॉलिक सिलेंडरचा एक महत्त्वपूर्ण मूलभूत घटक आहे. आंतरराष्ट्रीय स्लाइडिंग रिंग एकत्रित सील आणि सॉफ्ट सपोर्ट स्ट्रक्चरच्या विकासाचे पालन करण्यासाठी रुईचेन सीलने कपड्याने-प्रबलित फिनोलिक सपोर्ट रिंग (बेल्ट) यशस्वीरित्या विकसित केले आहे. बर्याच वर्षांच्या सरावानंतर, गुणवत्ता समान परदेशी उत्पादनांपेक्षा जास्त आहे आणि वापरकर्त्यांद्वारे चांगली ती प्राप्त झाली आहे. परफॉरमन्स टेबल संदर्भासाठी वापरला जाऊ शकतो.
मार्गदर्शक बेल्टच्या बाबतीत, आरसी 1081 प्रबलित पॉलिटेट्रॅथिलीन मार्गदर्शक बेल्ट पीटीएफई इत्यादींमध्ये कांस्य पावडर जोडते, उच्च लोड-बेअरिंग, कमी पोशाख, कमी घर्षण आणि रेंगाळणारी वैशिष्ट्ये; आरसी 1082 क्लॉथ-प्रबलित फिनोलिक गाईड बेल्ट फिनोलिक क्लॉथ-प्रबलित सामग्रीचा अवलंब करते आणि त्याची रेडियल लोड-बेअरिंग क्षमता पीटीएफई मार्गदर्शक बेल्टपेक्षा चांगली आहे. दोघेही रोलमध्ये पुरवले जातात, जे कट करणे आणि स्थापित करणे सोपे आहे आणि धातूचा संपर्क टाळू शकतो. अनुक्रमे पिस्टन रॉड आणि पिस्टनसाठी आरसीएस आणि आरसीटी मार्गदर्शक रिंग्ज वापरले जातात.
वेअर-रेझिस्टंट रिंग्जमध्ये हायड्रॉलिक सिलेंडरमध्ये पिस्टन किंवा पिस्टन रॉडचे अचूक मार्गदर्शन करणे आणि रेडियल फोर्स शोषून घेण्याचे कार्य आहे, जे धातूच्या संपर्कास प्रतिबंध करू शकते. मेटल वेअर रिंग्जच्या तुलनेत, नॉन-मेटलिक वेअर रिंग्जमध्ये पोशाख प्रतिकार करणे, धातूचा संपर्क टाळणे, कंपन दडपणे, मोठे रेडियल क्लीयरन्स, साधे खोबणी आणि सुलभ स्थापना आणि कमी देखभाल खर्चाचे फायदे आहेत. ते मोठ्या प्रमाणात वापरले जातात. त्यापैकी, कापड-प्रबलित फिनोलिक आणि पीटीएफई मार्गदर्शक रिंग्ज साइटवर कटिंग आणि वापरण्यास तयार प्रकारात उपलब्ध आहेत.
मार्गदर्शक स्लीव्ह्जच्या बाबतीत, जीएफएआयचा वापर पिस्टन रॉड्ससाठी केला जातो, समर्थन, मार्गदर्शक आणि डस्टप्रूफ फंक्शन्ससह; जीएफआयचा वापर पिस्टन रॉड्ससाठी देखील केला जातो, सहाय्यक आणि मार्गदर्शक भूमिका बजावते; जीएफएचा वापर पिस्टनसाठी केला जातो, समर्थन आणि मार्गदर्शक प्रदान करतो. ही उत्पादने हायड्रॉलिक सिलेंडर्स सर्व बाबींमध्ये स्थिरपणे कार्य करण्यास मदत करतात.
उत्पादन वैशिष्ट्ये आणि अनुप्रयोग:
ऑर्डर उदाहरणः
पीटीएफई मार्गदर्शक टेप ऑर्डरिंग उदाहरण आरसी 1081-9.7x2.5
फिनोलिक कपड्यांचे मार्गदर्शक टेप ऑर्डरिंग उदाहरण आरसी 1082-9.7x2.5
कटिंग लांबीची गणना
शाफ्टसाठी: एल = 3.1 (डी+डब्ल्यू) भोक: एल = 3.1 (डी-डब्ल्यू)
एल --- रिंग लांबी डी --- शाफ्ट व्यास डी --- भोक व्यास डब्ल्यू --- रिंग जाडी झेड --- कट क्लिअरन्स
मार्गदर्शक स्लीव्ह gfai
1. कार्यप्रदर्शन आणि वापर: मार्गदर्शक स्लीव्ह जीएफएआय पिस्टन रॉडसाठी मार्गदर्शक स्लीव्ह आहे, जे पिस्टन रॉडचे समर्थन आणि मार्गदर्शन करते आणि डस्टप्रूफ फंक्शन आहे.
2. साहित्य: नायलॉन पीए, पॉलीऑक्सिमेथिलीन पीओएम आणि पॉलीटेट्राफ्लोरोएथिलीन पीटीएफई.
3. कामकाजाची परिस्थिती: कार्यरत तापमान: -55 ~+225 ℃ (पीटीएफई 120 ℃ च्या वर वापरले जाते).
4. डिझाइन मानक: डिझाइन आणि निवडताना, हंगर कंपनीच्या एफएआय मालिकेचा संदर्भ घ्या.
5. चिन्हांकित करणे आणि ऑर्डर करण्याची पद्धत: मार्गदर्शक स्लीव्ह जीएफएआय ऑर्डर क्रमांकासह चिन्हांकित केले आहे, उदाहरणार्थ: GFAI-0600PTFE
मार्गदर्शक स्लीव्ह जीएफआय
1. कार्यप्रदर्शन आणि वापर: मार्गदर्शक स्लीव्ह जीएफआय पिस्टन रॉडसाठी मार्गदर्शक स्लीव्ह आहे, जे पिस्टन रॉडचे समर्थन आणि मार्गदर्शन करते.
2. सामग्री: नायलॉन पीए, पॉलीऑक्सिमेथिलीन पीओएम आणि पॉलीटेट्राफ्लोरोएथिलीन पीटीएफई.
3. कामकाजाची परिस्थिती: कार्यरत तापमान: -55 ~+255 ℃ (पीटीएफई 120 च्या वर वापरला जातो ℃)
4. डिझाइन मानक: डिझाइन आणि निवडताना, हंगरच्या एफआय मालिकेचा संदर्भ घ्या.
5. चिन्हांकित करणे आणि ऑर्डर करण्याची पद्धत: मार्गदर्शक स्लीव्ह जीएफआय ऑर्डर क्रमांकासह चिन्हांकित केले आहे, उदाहरणार्थ: जीएफआय -0360 पीए
मार्गदर्शक स्लीव्ह जीएफए
1. कार्यप्रदर्शन आणि वापर: मार्गदर्शक स्लीव्ह जीएफए पिस्टनसाठी मार्गदर्शक स्लीव्ह आहे, जे पिस्टनला समर्थन आणि मार्गदर्शन करते.
2. सामग्री: नायलॉन पीए, पॉलीऑक्सिमेथिलीन पीओएम आणि पॉलीटेट्राफ्लोरोएथिलीन पीटीएफई.
3. कामकाजाची परिस्थिती: कार्यरत तापमान: -55 ~+255 ℃ (पीटीएफई 120 च्या वर वापरला जातो ℃)
4. डिझाइन मानक: डिझाइन आणि निवडताना, हंगरच्या एफए मालिकेचा संदर्भ घ्या.
5. चिन्हांकित करणे आणि ऑर्डर करण्याची पद्धत: मार्गदर्शक स्लीव्ह जीएफए ऑर्डर क्रमांकासह चिन्हांकित केले आहे, उदाहरणार्थ: जीएफए -0560 पीए
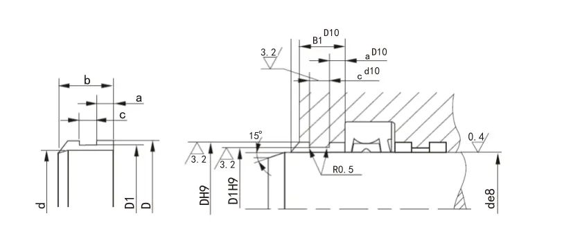
6. स्ट्रक्चरल डिव्हाइस:
वैशिष्ट्ये:
| मॉडेल | खोबणीची रुंदी एच+0.2 |
जाडी टी - 0.05 |
जाडी टी टी - 0.05 |
जाडी टी - 0.05 |
जाडी टी - 0.05 |
जाडी टी - 0.05 |
| आरसी 1081/1082-4.2 | 4.2 | 1 | 1.55 | 2 | 2.5 | - |
| आरसी 1081/1082-5.6 | 5.6 | 1.55 | 2 | 2.5 | - | - |
| आरसी 1081/1082-6.3 | 6.3 | 1.55 | 2 | 2.5 | - | - |
| आरसी 1081/1082-8.1 | 8.1 | 1.55 | 2 | 2.5 | - | - |
| आरसी 1081/1082-9.7 | 9.7 | 2 | 2.5 | 3 | 3.5 | 4 |
| आरसी 1081/1082-12.7 | 12.7 | 2 | 2.5 | 3 | 3.5 | 4 |
| आरसी 1081/1082-15 | 15 | 2 | 2.5 | 3 | 3.5 | 4 |
| आरसी 1081/1082-20 | 20 | 2 | 2.5 | 3 | 3.5 | 4 |
| आरसी 1081/1082-25 | 25 | 2 | 2.5 | 3 | 3.5 | 4 |
| आरसी 1081/1082-30 | 30 | 2 | 2.5 | 3 | 3.5 | 4 |
| आरसी 1081/1082-35 | 35 | 2 | 2.5 | 3 | 3.5 | 4 |
| टीपः बोल्डफेस मालिका सामान्यत: वापरली जाते. जर आवश्यक उत्पादन या सारणीमध्ये नसेल तर कृपया आमच्याशी संपर्क साधा. | ||||||
कापड-प्रबलित फिनोलिक सपोर्ट रिंग (बेल्ट)
समर्थन रिंग हायड्रॉलिक सिलेंडरचा एक महत्त्वपूर्ण मूलभूत घटक आहे. जगातील स्लाइडिंग रिंग एकत्रित सील आणि मऊ बेअरिंग स्ट्रक्चर्सच्या विकासाशी जुळवून घेण्यासाठी, आमच्या कंपनीने कपड्याने-प्रबलित फिनोलिक सपोर्ट रिंग्ज (बेल्ट्स) यशस्वीरित्या विकसित केले आहे. वास्तविक वापराच्या वर्षानुवर्षे हे सिद्ध झाले आहे की हे उत्पादन समान परदेशी उत्पादनांच्या गुणवत्तेच्या पातळीवर पोहोचले आहे किंवा त्यापेक्षा जास्त आहे आणि वापरकर्त्यांनी मोठ्या प्रमाणात कौतुक केले आहे. सारण्या 1 ते 4 आमच्या कंपनीने तयार केलेल्या समर्थन रिंग्ज (बेल्ट्स) च्या कामगिरी सारण्या आहेत.
टेबल 1 आमच्या समर्थन रिंग आणि बुसक+शांबा उत्पादनांच्या भौतिक गुणधर्मांची तुलना
| नमुना स्रोत | रिंग जाडीला समर्थन द्या (मिमी) | संकुचित शक्ती (एमपीए) | तेल प्रतिकार वजन बदल दर हायड्रॉलिक तेल (70 ± 2 ℃*24 एच) | ब्रेकिंग सामर्थ्य (एमपीए) | इंटरलेयर आसंजन (केएन/एम) |
| फॅशन+शंबा | 2.48 | 338.9 | 2.83 | 35.6 | 1.2 |
| आमची उत्पादने | 2.48 | 425 | 0.90 | 37.0 | 2.9 |
| 2.48 (ग्रेफाइटसह) | 390 | 0.63 | 36.4 | 2.08 |
| नमुना प्रकार | आमची उत्पादने | ऑर्कॉट टीएलजी ① | Duratec900 ① | टर्काइट 47 ② | एमटी 64/5 बी | NOKWR (दिवस) | पॉलीऑक्सिमेथिलीनला pistired | मांजर (आम्हाला) | |
| मोजलेले मूल्य | आवश्यक निर्देशक | ||||||||
| संकुचित शक्ती (एमपीए) | ≥350 | ≥330 | ≥350 | 80२80० | ≥50 | ≥270 | ≥150 | ≥80 | ≥217 |
| नमुना प्रकार | आमची उत्पादने | ऑर्कॉट टीएलजी ① | Duratec900 ① | टर्काइट 47 ② | एमटी 64/5 बी | NOKWR (दिवस) | पॉलीऑक्सिमेथिलीनला pistired | मांजर (आम्हाला) | |
| मोजलेले मूल्य | आवश्यक निर्देशक | ||||||||
| संकुचित शक्ती (एमपीए) | ≥350 | ≥330 | ≥350 | 80२80० | ≥50 | ≥270 | - | ≥80 | ≥217 |
| प्रति युनिट संपर्क लांबी लोड डब्ल्यू (एन/एमएम) | हर्ट्ज संपर्क रिले ΔH (एन/एमएम 2) | घर्षण गुणांक | |||
| कोरडे घर्षण स्थिती | तेल ठिबक वंगण | ||||
| आमची उत्पादने | ऑर्कॉट टीएलजी | आमची उत्पादने | ऑर्कॉट टीएलजी | ||
| 5.9 | 22.0 | 0.054 | 0.066 | 0.057 | 0.079 |
| 29.0 | 48.7 | 0.052 | 0.067 | 0.056 | 0.081 |
| 44.4 | 60.3 | 0.045 | 0.071 | 0.055 | 0.088 |
| 59.8 | 69.8 | 0.021 | 0.073 | 0.053 | 0.087 |
| 75.2 | 78.3 | 0.020 | 0.075 | 0.052 | 0.085 |
| साहित्य | पीटीएफई+कांस्य |
| पुरवठा | रोल (सहसा सुमारे 20 मीटर/रोल) किंवा आवश्यक लांबीसाठी कट |
| फायदे | 1. कमी घर्षण, रेंगाळलेले आणि चावलेले नाही; |
| 2. पुरेसे वंगण न घेता देखील चांगले कार्य करू शकते; | |
| 3. विविध माध्यमांना प्रतिरोधक, उत्कृष्ट रासायनिक स्थिरता; | |
| 4. सिलिंडर आणि सील स्क्रॅचिंग हार्ड ऑब्जेक्ट्स कमी करण्यासाठी वेअर-प्रतिरोधक रिंगमध्ये एम्बेड केलेल्या कठोर वस्तू सामावून घेऊ शकतात, म्हणून जड-लोडच्या परिस्थितीत, एकाधिक पोशाख-प्रतिरोधक रिंग्ज वापरा; | |
| 5. त्यात उच्च-गती आणि प्रकाश-लोड परिस्थितीत चांगले पोशाख प्रतिकार देखील आहे, म्हणून ही सर्वात जास्त प्रमाणात वापरली जाणारी पोशाख-प्रतिरोधक अंगठी आहे; | |
| 6. आकाराचे कोणतेही निर्बंध, मोठ्या व्यासाच्या परिस्थितीत वापरले जाऊ शकतात. | |
| तापमान | -60 ~+200 ℃ |
| जास्तीत जास्त वेग | 15 मी/से |
| जास्तीत जास्त एक्सट्रूजन सामर्थ्य | 15 एन/मिमी 2 (20 °) |
| 7.5 एन/मिमी 2 (80 °) | |
| 5 एन/मिमी 2 (120 °) |
पिस्टन रॉडसाठी आरसीएस नॉन-मेटलिक गाईड रिंग
पिस्टनसाठी आरसीटी नॉन-मेटलिक मार्गदर्शक रिंग
हायड्रॉलिक सिलेंडरमध्ये चालू असलेल्या पिस्टन किंवा पिस्टन रॉडसाठी, पोशाख रिंगचा अचूक मार्गदर्शक प्रभाव आहे आणि रेडियल सैन्याने शोषून घेऊ शकतो. त्याच वेळी, वेअर रिंग हायड्रॉलिक सिलेंडरमधील सरकत्या भागांच्या धातूच्या संपर्कास प्रतिबंधित करू शकते. मेटल वेअर रिंग्जच्या तुलनेत, नॉन-मेटलिक वेअर रिंग्जचे बरेच फायदे आहेत. त्यापैकी, कापड-प्रबलित फिनोलिक आणि पीटीएफई मार्गदर्शक रिंग्ज साइटवरील कटिंग प्रकार आणि वापरण्यास तयार प्रकारात उपलब्ध आहेत.
1. चांगला पोशाख प्रतिकार
2. मेटल-टू-मेटल संपर्क टाळा
3. यांत्रिक कंपन दडपू शकते
4. पोशाख-प्रतिरोधक रिंगच्या मध्यवर्ती परिणामामुळे, मोठ्या रेडियल क्लीयरन्सला परवानगी आहे
5. खोबणी सोपी आणि स्थापित करणे सोपे आहे
6. वरील फायद्यांच्या आधारे कमी देखभाल खर्च, तो मोठ्या प्रमाणात वापरला जातो
साहित्य:
1. पॉलीटेट्राफ्लोरोएथिलीन पीटीएफई 3 (सामान्य सामग्री), पीटीएफई 4 (पाण्यासारख्या कमी व्हिस्कोसिटी मीडियास लागू), पीटीएफई 1 (न्यूमेटिक्ससारख्या कमी घर्षण आवश्यकता)
2. पॉलीऑक्सिमेथिलीन पीओएम किंवा नायलॉन पीए आणि त्याची सुधारित सामग्री
3. फॉर्मल्डिहाइड रेझिन + रीफोर्सिंग फायबर प्रिफ
भिन्न सामग्रीची लोड-बेअरिंग क्षमतेची तुलना सारणी (संदर्भ)
| साहित्य | वाहून नेण्याची क्षमता कमाल (एन/एमएम 2) |
| पीटीएफईने भरलेले कॉपर पावडर | 15 (20 ℃); 7.5 (80 ℃) 5 (120 ℃) |
| कपड्यासह फिनोलिक पावडर | 90 (60 ℃); 40 (80 ℃) |
| पॉलीऑक्सिमेथिलीन किंवा नायलॉन | 25 (60 ℃); 15 (80 ℃) |
| पॉलीऑक्सिमेथिलीन किंवा नायलॉनने भरलेले | 40 (60 ℃); 30 (80 ℃) |
| गुळगुळीत | आरटीमॅक्स (μ मी) | आरए (μ मी) |
| सरकता पृष्ठभाग | .2.5 | 0.05-0.3 |
| खोबणी तळाशी | ≤10 | ≤2 |
| खोबणीची बाजू | ≤15 | ≤3 |
पिस्टन रॉड गाईड रिंग स्पेसिफिकेशन मालिका
| रॉड व्यास | तळाशी व्यास | खोबणीची रुंदी | जाडी | अंतर |
|
रॉड व्यास | तळाशी व्यास | खोबणीची रुंदी | जाडी | अंतर |
| डी एफ 8/एच 9 | डी एच 8 | L+0.2 | W | Z | डी एफ 8/एच 9 | डी एच 8 | L+0.2 | W | Z | |
| 8-20 | डी+3.1 | 2.5 | 1.55 | 1-2 | 200-999.9 | डी+5 | 25 | 2.5 | 8-33 | |
| 10-50 | डी+3.1 | 4 | 1.55 | 1-3 | 1000-4200 | डी+5 | 25 | 2.5 | 33-134 | |
| 15-140 | डी+5 | 5.6 | 2.5 | 2-5 | 280-999.9 | डी+8 | 25 | 4 | 10-33 | |
| 20-220 | डी+5 | 9.7 | 2.5 | 2-9 | 1000-2200 | डी+8 | 25 | 4 | 33-70 | |
| 80-400 | डी+5 | 15 | 2.5 | 4-15 |
|
|
|
|
|



























पत्ता
क्रमांक 1 रुईचेन रोड, डोंगलीउटिंग इंडस्ट्रियल पार्क, चेंगयांग जिल्हा, किंगदाओ शहर, शेंडोंग प्रांत, चीन
दूरध्वनी